TECHNICAL INFORMATION
WORKING CONDITIONS
This catalogue shows technical specifications and diagrams measured through mineral oil of 46 mm2/s – 46cSt viscosity at 40°C - 104°F temperature.
|
Nominal flow rating |
|
45 l/min. |
|
|
Max. flow |
|
65 l |
|
|
Operating pressure (max.) |
|
315 bar |
4600 psi |
|
Max. back pressure |
on outlet port T |
20 bar |
290 psi |
|
Internal leakage A(B)®T |
Dp=100 bar – 1450psi with fluid and valve at 40°C |
3cm3/min. |
0.18 in3/min. |
|
Hydraulic fluid |
Mineral base oil |
||
|
Fluid temperature |
with NBR seals |
from - 20° to 80°C |
|
|
with FPM (VITON) seals |
from - 20° to 100°C |
|
|
|
Viscosity |
operating range |
from 15 to 75 mm2/s |
from 15 to 75 cSt |
|
Min. |
12 mm2/s |
12 cSt |
|
|
Max. |
400 mm2/s |
400 cSt |
|
|
Max. level of contamination |
19/16 – ISO 4406 |
||
STANDARD THREADS
REFERENCE STANDARD
|
|
|
BSP |
UN-UNF |
METRIC |
|
THREAD ACCORDING TO |
|
ISO 228/1 |
ISO 263 |
ISO 262 |
|
|
BS 2779 |
ANSI B1.1 unified |
||
|
CAVITY ACCORDING TO |
ISO |
1179 |
11926 |
9974-1 |
|
SAE |
|
J1926 |
J2244 |
|
|
DIN |
3852-2 shape X o Y |
|
3852-1 shape X o Y |
PORTS THREAD
|
MAIN PORTS |
BSP |
OPTIONAL |
UN-UNF |
METRIC |
|
Inlet P and carry-over C |
G 3/8 |
G 1/2 |
3/4 – 16 (SAE 8) |
M18x1,5 |
|
Ports A and B |
G 3/8 |
G 1/2 |
9/16 – 18 (SAE 6) |
M18x1,5 |
|
Outlet T |
G 3/8 |
G 1/2 |
3/4 – 16 (SAE 8) |
M18x1,5 |
|
CONTROL PILOT PORTS |
||||
|
Pneumatics |
G 1/8 |
|
- |
- |
|
Hydraulics |
G 1/4 |
|
- |
- |
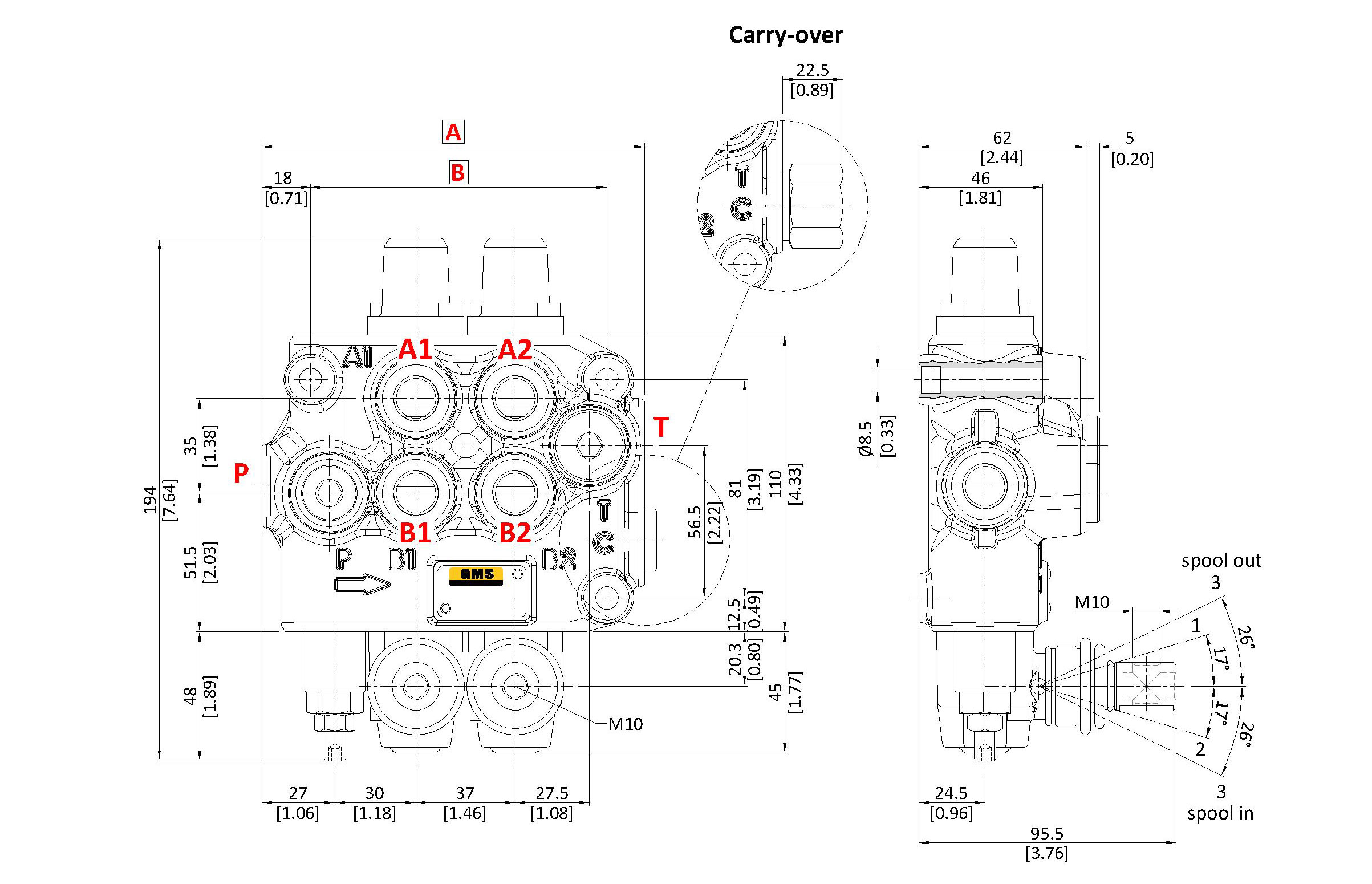
DIMENSIONAL DATA
APPLICATION AREAS
This 45L GM directional control valve group is commonly used for wood splitters, tractors, farm equipments, small fishing vessels, earth moving machines, lifting equipments, aerial platforms, boom cranes.

