TECHNICAL INFORMATION
WORKING CONDITIONS
This catalogue shows technical specifications and diagrams measured through mineral oil of 46 mm2/s – 46cSt viscosity at 40°C - 104°F temperature.
|
Nominal flow rating |
|
45 l/min. |
|
|
Max. flow |
|
65 l |
|
|
Operating pressure (max.) |
|
250 bar |
3600 psi |
|
Back pressure (max.) |
on outlet port T |
25 bar |
260 psi |
|
Internal leakage A(B)®T |
Dp=100 bar – 1450psi with fluid and valve at 40°C |
3cm3/min. |
0.18 in3/min. |
|
Hydraulic fluid |
|
Mineral base oil |
|
|
Fluid temperature |
with NBR seals |
from - 20° to 80°C |
|
|
with FPM (VITON) seals |
from - 20° to 100°C |
|
|
|
Viscosity |
operating range |
from 15 to 75 mm2/s |
from 15 to 75 cSt |
|
Min. |
12 mm2/s |
12 cSt |
|
|
Max. |
400 mm2/s |
400 cSt |
|
|
Max. level of contamination |
|
19/16 – ISO 4406 |
|
PORTS THREAD
|
MAIN PORTS |
METRIC |
OPTIONAL |
UN-UNF |
BSP |
|
Inlet P |
M18x1,5 |
G 3/8 |
3/4 – 16 (SAE 8) |
G 1/2 |
|
Ports A and B |
9/16 – 18 (SAE 6) |
|||
|
Outlet T |
3/4 – 16 (SAE 8) |
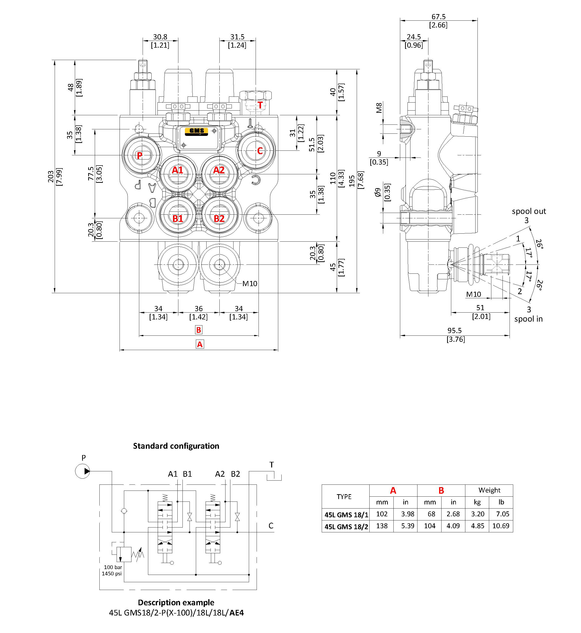
DIMENSIONAL DATA
APPLICATION AREAS
This 45L GMS directional control valve group is commonly used for New Holland Tractor valve, Turk Tractor valve, Tumosan Tractor valve

