This site uses cookies for functional and analytical purposes. Please read our Cookie Policy for more information
SHARE ON:
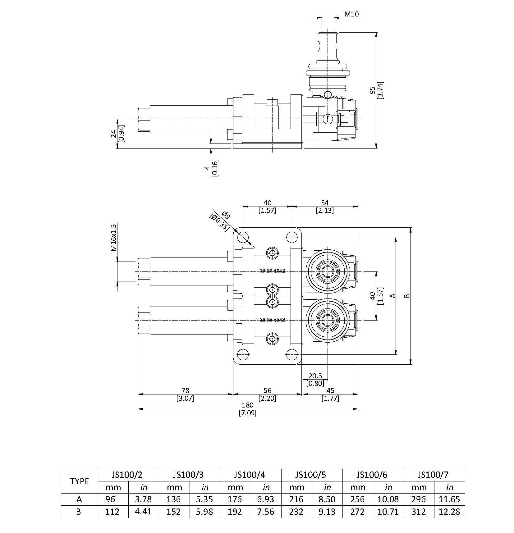
The valves activated with JS100 flexible cable remote controls are used in agricultural machinery such as brush cutters, silage choppers-mixers, front-loaders and baling machines.