TECHNICAL INFORMATION
WORKING CONDITIONS
This catalogue shows technical specifications and diagrams measured through mineral oil of 46 mm2/s – 46cSt viscosity at 40°C - 104°F temperature.
|
Nominal flow rating |
|
80 l/min. |
|
|
Max. flow |
|
100 l |
|
|
Operating pressure (max.) |
Series-parallel (tandem) circuit |
315 bar |
4600 psi |
|
Back pressure (max.) |
on outlet port T |
25 bar |
360 psi |
|
Internal leakage A(B)®T |
Dp=100 bar – 1450 psi fluid and valve at 40°C |
3cm3/min. |
0.18 in3/min. |
|
Hydraulic fluid |
|
Mineral base oil |
|
|
Fluid temperature |
with NBR seals |
from - 20° to 80°C |
|
|
with FPM (VITON) seals |
from - 20° to 100°C |
|
|
|
Viscosity |
operating range |
from 15 to 75 mm2/s |
from 15 to 75 cSt |
|
Min. |
12 mm2/s |
12 cSt |
|
|
Max. |
400 mm2/s |
400 cSt |
|
|
Max. level of contamination |
|
19/16 – ISO 4406 |
|
|
Tie rods tightening torque (wrench 13) |
|
30 Nm |
22 lbft |
PORTS THREAD
|
PORTS |
BSP (ISO 228/1) |
UN-UNF (ISO 11926-1) |
METRIC (ISO 6149-1) |
|
Inlet P |
G 1/2 |
7/8 – 14 (SAE 10) |
M22x1,5 |
|
A and B ports |
G 1/2 |
3/4 – 16 (SAE 8) |
M22x1,5 |
|
Outlet T and carry-over C |
G 3/4 |
7/8 – 14 (SAE 10) |
M27x2 |
|
PILOT PORTS |
|||
|
Hydraulic ports |
G 1/4 |
- |
- |
|
Pneumatic ports |
G 1/8 |
- |
- |
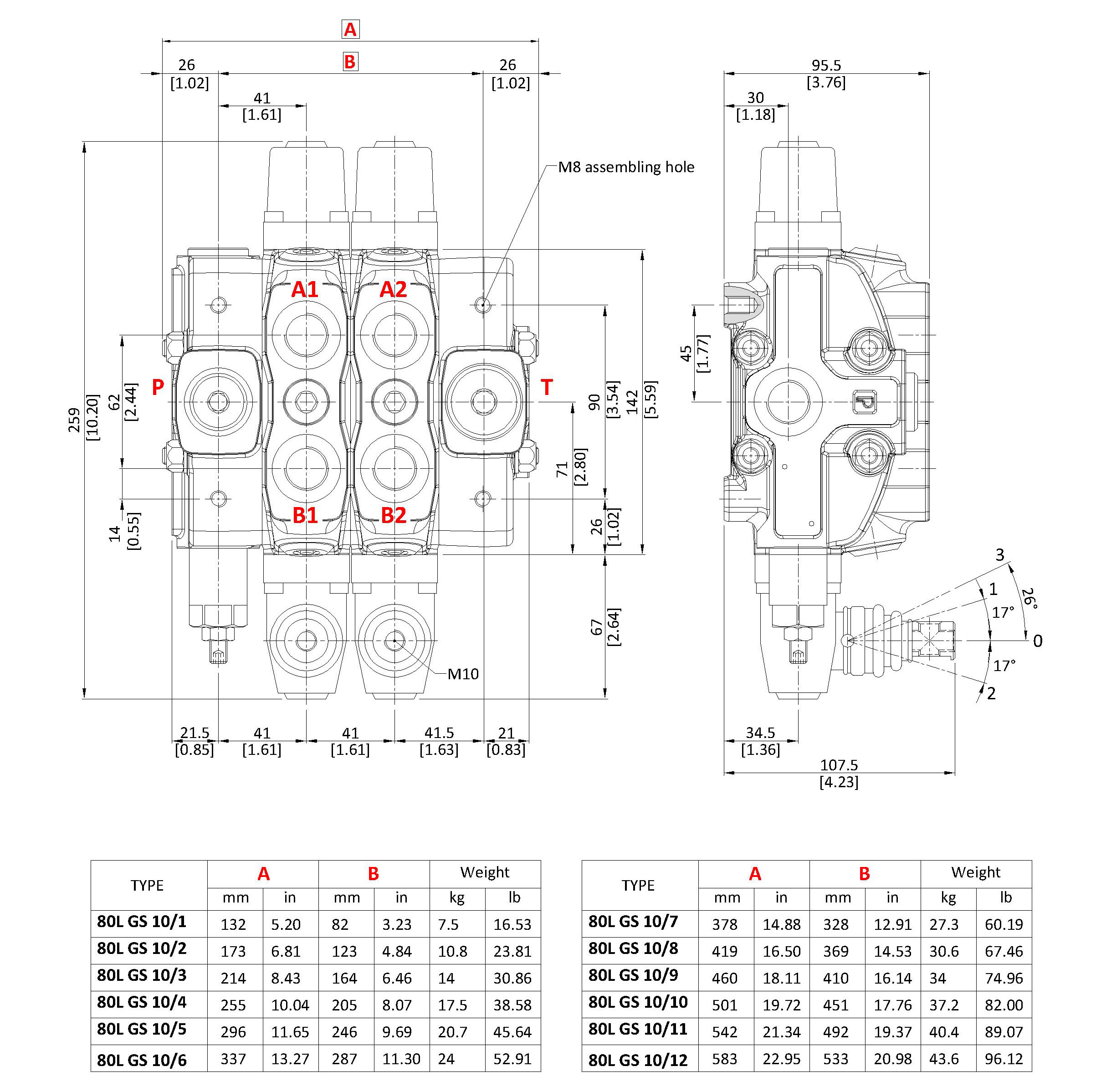
DIMENSIONAL DATA
APPLICATION AREAS
This 80L GS directional control valve group is commonly used for mini excavators, compact front loaders, cranes, backhoe loaders.

